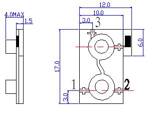
微带系列 | WH502AS15

产品简介:


微带是以微带线作为传输方式的器件,具有体积小、频率高、精度好、一致性好的特点,适合于微组装,可广泛运用各种毫米波雷达、TR组件中。

 



产品参数

适用频率:         5.2-5.8GHz

最大正向损耗:   0.35dB(1-2)

                        0.7dB(2-3)

最小反向隔离:   20dB(2-1) 

                        35dB(3-2)

最大驻波系数:   1.25

负载功率:         20W