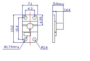
微带系列 | WG902A3

产品简介:


微带是以微带线作为传输方式的器件,具有体积小、频率高、精度好、一致性好的特点,适合于微组装,可广泛运用各种毫米波雷达、TR组件中。

 

 



产品参数

 

适用频率:         10.5-10.9GHz

最大正向损耗:   0.5dB

最小反向隔离:   20dB

驻波系数:         1.25

负载功率:         10W