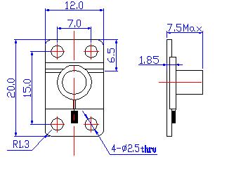
微带系列 | WG502A

产品简介:


微带是以微带线作为传输方式的器件,具有体积小、频率高、精度好、一致性好的特点,适合于微组装,可广泛运用各种毫米波雷达、TR组件中。

 



产品参数

适用频率:      5.9-7.2GHz

最大正向损耗:0.5dB

最小反向隔离:20dB

驻波系数:      1.3

负载功率:      10W