Toggle navigation
走进广顺
产品展示
科研技术
项目案例
服务中心
新闻动态
人力资源
联系我们
首页>
同轴系列
表贴系列
波导系列
同轴系列
带状线系列
微带
大功率
CAST系列
其他
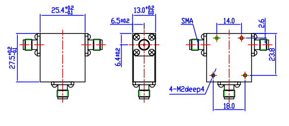
同轴系列 | TH501H
产品简介:
产品参数
工作频率:3-6GHz
正向损耗:≤0.6dB
反向隔离:≥16dB
驻波系数:≤1.4
走进广顺
产品展示
科研技术
项目案例
服务中心
新闻动态
人力资源
联系我们